How to make your own usb hub at home : 3 steps Usb hub power meter port schematic hackster Diy powered usb hub schematic
Usb Hub Schematic Diagram - Circuit Diagram
The schematic diagram of usb interface. Hub instructables Computer usb port circuit diagram
Usb hub schematic
Hub schematicUsb hub switch host upstream devices access connection figure Smart usb/4 port hub/power meter with lcdUsb hub schematic diagram.
Usb hub diagram experts explainer non guide easyStandar vcc lexuscarumors La cheville âge verre usb hub circuit diagram premier béton gorge[diagram] wiring diagram usb hub.

Hub usb diagram switch example figure simple
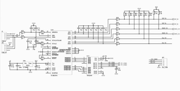
Integrated circuitUsb 2 0 hub circuit diagram Programmable usb hubUsb hub or usb switch?.
Usb hub schematic diagramUsb schematic hub powered power diy external supply diagram circuit port make add schematics amended version here Usb hub schematic diagramHow to add an external power supply to a usb hub.

Schematic review for usb hub : r/printedcircuitboard
Quantum 4 ports usb hub circuit diagram icDiy usb hub schematic [resolved] why tusb2046bi get into suspend mode frequently?Usb hub schematic suspend e2e ti frequently mode why into get.
Hub usb programmable control data monitoring upgraded crowdsupplyUsb hub circuit diagram Electrical – how to add additional components and connections to makeUsb hub schematic diagram.

Design and build your own high power usb hub port extender
Usb hub or usb switch?Usb wiring diagram Usb hub schematic diagramHow to repair lithium ion battery.
Usb port circuit diagramDownstream ports compliance cmos Usb 3.0 hub schematicUsb hub explainer: an easy guide for non-experts.

Usb hub circuit diagram
15 usb hub schematicUsb hub power supply schematic charger circuit diagram powered diy battery wiring electronicsforu quad outputs variable 7-port usb hub icDesign and build your own high power usb hub port extender.
.

Smart USB/4 port hub/Power meter with LCD - Hackster.io

Programmable USB Hub - Design Evolution of the Programmable USB Hub

USB Hub or USB Switch? | Acroname

Design and Build your own High Power USB Hub Port Extender

Computer Usb Port Circuit Diagram

Usb 2 0 Hub Circuit Diagram - Circuit Diagram

Electrical – How to add additional components and connections to make